Zufallsbild |
 |
 Royal-Syntektor 55W (Körting)
Kommentare: 0 Andreas
|
 |
|
 |
 |
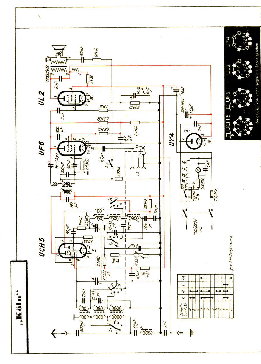
Schaltbild Lorenz Köln
| Schaltbild Lorenz Köln |
| Beschreibung: |
Notzeitradio Lorenz Kölln, hier die Schaltung als Hilfestellung für Reparatur und Restaurierung.
Achtung, keine galvanische Trennung vom Netz! Möglichst mit Trenntrafo betreiben. |
| Schlüsselwörter: |
|
| Datum: |
29.04.2007 21:20 |
| Hits: |
2639 |
| Downloads: |
0 |
| Bewertung: |
0.00 (0 Stimme(n)) |
| Dateigröße: |
122.1 KB |
| Hinzugefügt von: |
Andreas |
|
|
 |