Zufallsbild |
 |
 TAKU 0156/0157 - System 03
Kommentare: 0 MGW51
|
 |
|
 |
 |
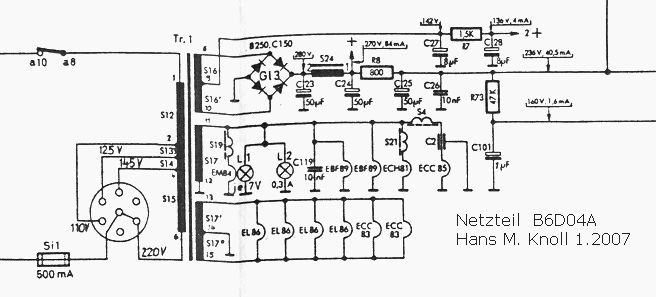
Netzteil B6D04A
| Netzteil B6D04A |
| Beschreibung: |
Netzteil fuer Philips-Radio mit Eisenloser_Endstufe 4xEL86 |
| Schlüsselwörter: |
|
| Datum: |
03.01.2007 19:50 |
| Hits: |
8132 |
| Downloads: |
2 |
| Bewertung: |
0.00 (0 Stimme(n)) |
| Dateigröße: |
42.9 KB |
| Hinzugefügt von: |
mike-jordan |
|
|
 |