Erweiterte Suche
Home
/
IG - Mitglieder
/
mike-jordan
/
Dokumente
/
Schaltbilder
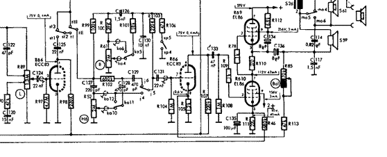
/ NF-Teil Saturn ST.
Top Bilder
Neue Bilder
Registrierte Benutzer
Benutzername:
Passwort:
Beim nächsten Besuch automatisch anmelden?
»
Password vergessen
»
Registrierung
Zufallsbild
M 2408 TB - HGS Electronic Bild 1
Gast
NF-Teil Saturn ST.
NF-Teil Saturn ST.
Beschreibung:
Schlüsselwörter:
Datum:
02.01.2007 22:36
Hits:
8451
Downloads:
0
Bewertung:
0.00 (0 Stimme(n))
Dateigröße:
18.3 KB
Hinzugefügt von:
mike-jordan
Autor:
Kommentar:
Es wurden noch keine Kommentare abgegeben.
Vorheriges Bild:
Schaltbildauszug Ratio Sat. 205a Amat.
Nächstes Bild:
Netzteil B6D04A
Powered by
4images
1.10
Copyright © 2002-2026
4homepages.de
Layout & Design:
IG-FTF 2010