Zufallsbild |
 |
 Prospekt Beomaster 1700
Kommentare: 0 Bigtoby
|
 |
|
 |
 |
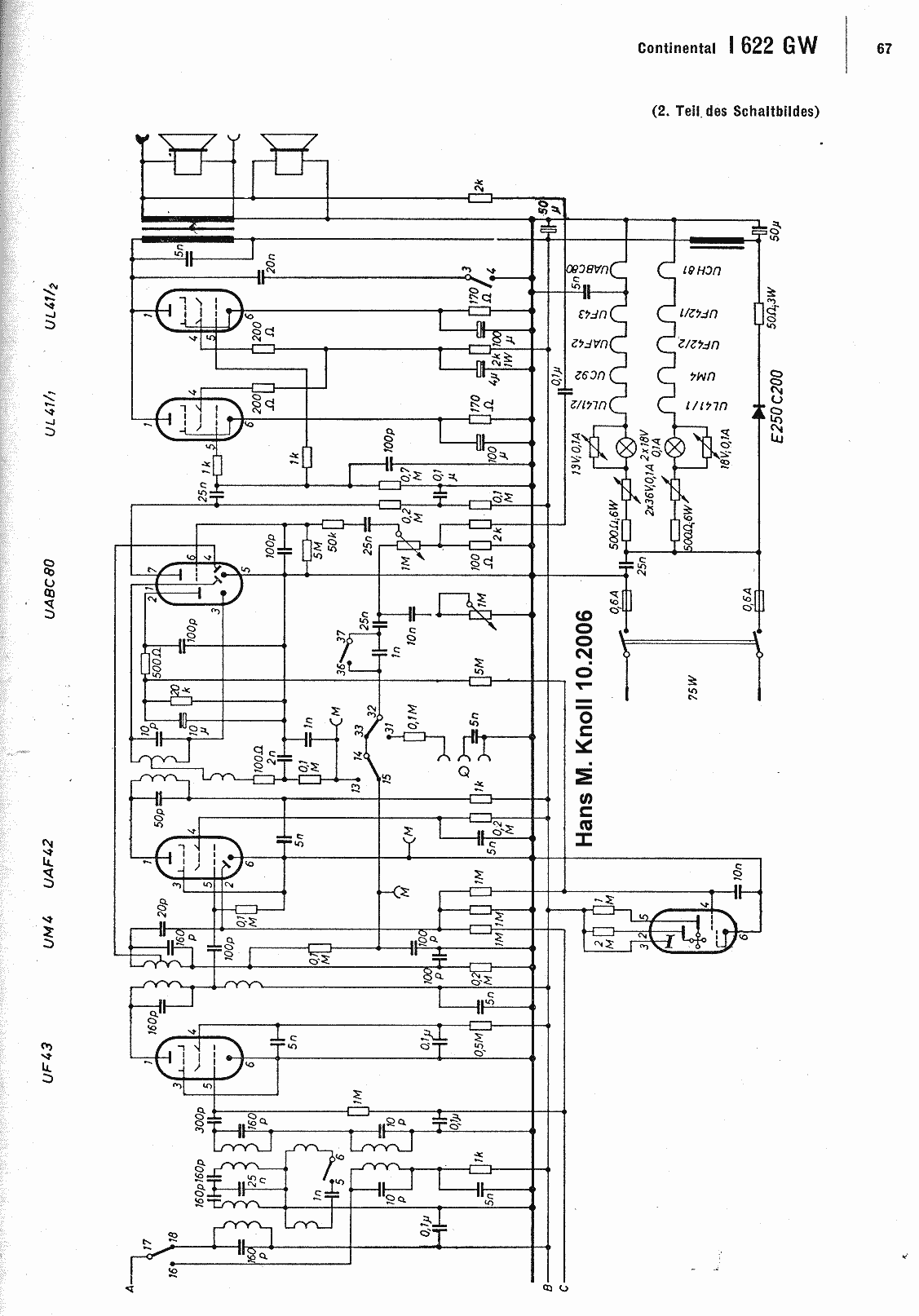
Imperial 622 GW Endstufe
| Imperial 622 GW Endstufe |
| Beschreibung: |
Endstufe des Imperial 622 GW mit 2 x UL41 als Endroehre parallel |
| Schlüsselwörter: |
Imperial, Endstufe, mit, 2xUL41in, Parallelschaltung |
| Datum: |
18.11.2006 15:37 |
| Hits: |
11786 |
| Downloads: |
0 |
| Bewertung: |
0.00 (0 Stimme(n)) |
| Dateigröße: |
79.3 KB |
| Hinzugefügt von: |
mike-jordan |
|
|
 |